DL-21CE電流繼電器概述
DL-21CE電流繼電器用于發電機、變壓器及輸電線路的過負荷和短路保護線路中,作為起動元件。
DL-21CE電流繼電器產品參數
●動作誤差:不大于6%。
●動作時間:1.1倍實測動作值時不大于0.12s 2倍實測動作值時不大于0.04s
●動作一致性:不大于5%。
●觸點容量:在電壓不超過250V,電流不超過5A,時間常數為5±0.75ms的直流有感負荷電路中,產品輸出觸點的斷開容量為50W。
輸出觸點在上述規定的負荷條件下,產品能可靠動作及返回5×104次。輸出觸點長期允許接通電流為5A。
●介質強度:產品各導電端子連在一起,對外露的非帶電金屬部分或外殼之間,能承受2000V(有效值)50Hz的交流電壓歷時1分鐘試驗而無絕緣擊穿或閃絡現象。
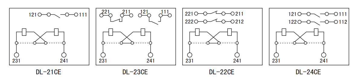
DL-21CE電流繼電器產品內部接線及外引接線圖

DL-21CE電流繼電器外形尺寸開孔圖



電流繼電器系列
打印當前頁
發郵件給我們: 1932551438@qq.com
手機: 18930817953




