分段保護裝置生產廠家推薦-上海上繼科技有限公司
發表時間:2019-07-05 10:06 瀏覽次數:988 〖返回〗一、公司介紹:
上海上繼科技有限公司 是一家專業從事電力系統繼電保護及智能電網電力自動化產品的研發、設計、生產、銷售和服務為一體的高科技公司。公司依托國際大都市上海的優越環境,擁有資深繼電保護專家團隊,熟悉中國電網實際運行特點,聯合國內外**高校不斷引進國內外先進技術,積極響應市場的需求,技術不斷創新,堅持行業**地位,主要生產電力繼電器及微機綜合保護裝置,電力智能配電設備,變電站自動化監控系統。產品廣泛用于電力、工礦、鐵路、建筑等國家重大工程輸配變電系統上,產品遠銷東南亞及中東地區。
公司具備國內**的檢測儀器及校驗設備,建立了模擬運行老化系統,以精湛的技術嚴格的生產制造工藝,健全的生產管理體系,精耕細作,精益求精。產品通過國家繼電保護及自動化設備質量監督檢驗中心檢測,獲得ISO-9001:2000國際質量體系認證。
SJP-500B微機綜合保護裝置產品介紹
一、SJP-500B微機綜合保護裝置 產品概述
1.1應用范圍
SJP : 500系列微機保護裝置是我公司推出的集簡易測量、控制、通訊于一體的一 種經濟 型保護裝置:針對配網終端配電室量身定做,以三段式電流保護為核心,配備電網參數、監視及采集功能,可省掉傳統的電流表、電壓表、功率表、頻率表等,并可通過通訊I將測量數據及保護信息遠傳上位機,真正實現配網自動化;裝置根據配網供電的特性,在裝置內集成了多種保護功能,本裝置**的優點尺寸小,不僅可安裝于普通環網柜也可方便安裝在各種充氣柜,起到二次回路保護。大大提高了裝置的使用靈活性為用戶節約了成本,本裝置尤其適用于I0KV以下電壓等級的配網供電終端。
1.2保護功能及配置
SJP-500系列保護適用于線路保護、電容出線保護、廠用變保護。針對被保護設備及保護要求的不同,SJP-500系列保護的型號和功能配置如下;

二、SJP-500B微機綜合保護裝置產品參數
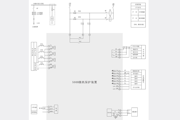
接線原理圖:

三、SJP-500B微機綜合保護裝置后面板接線端子圖

四、SJP-500B微機綜合保護裝置 端子說明
11-I8端了為電流端子,其中11-I6端 了為保護電流輸入端了,當保護采用兩相式保護時,I3. 14懸空. I7、I8端了為零序電流輸入端子,帶*號為同名端,接線時請注意。
UI- U6端子為電壓回路端子,其中U1 U4為測量電壓輸入,如V/V接線方式,U4端子可以懸空。U5 U6編子為零序電壓輸入端子。
A1-A3端子為跳合閘出口端子,Al KOC+為合閘觸點,A2 KOT+為跳閘觸點,A3為公共端KCOM.
BI- B4端子為開出回路端子,BI為預告信號開出常開點: B2為事故信號開出常開點: B3為裝置故障信號開出點,為常閉點,裝置有故障或失電時報警,正常運行開點。B4為公共端XM。
L1L3端予為輔助電源回路端子,L1. L2為電源輸入, L3接大地實際使用時L3端子應可靠接地,提高裝置抗干擾能力。
C1-CI1端子為開入量與通訊端子,C1為IN01新路器位置判斷點,控制微機合分位燈,開點為綠燈,閉點為紅燈: C2為信號復歸開入接點: C3為IN03在高溫保護開放時用作高溫輸入信號: C4為IN04在超高溫保護開放時用作超高溫開入接點: C5為IN0S輕 瓦斯開入接點: C6為IN06重瓦斯開入接點: C7,.C8為開入公共端: C9端子為485通訊回路A端口: C10端子為485通汛回路B端口,CII為485網匹配電阻。實際接入時請使用屏蔽雙絞線,提高通訊端口的抗干擾能力。
五、SJP-500B微機綜合保護裝置外形及開孔尺寸


六、SJP-500B微機綜合保護裝置產品實拍



上海上繼科技有限公司(專注分段保護裝置生產廠家)銷售熱線:021-57233089 QQ:1932551438
(以上內容僅供參考,上海上繼科技有限公司有最終解釋權}
更多繼電器精彩文章→微機保護裝置生產產家
- 上一篇:分段保護裝置生產廠家簡介
- 下一篇:電容器保護裝置廠家





