信號繼電器廠家簡介-上海上繼科技有限公司
發表時間:2019-07-10 09:20 瀏覽次數:836 〖返回〗
上海上繼科技有限公司是一家專業從事電力系統繼電保護及智能電網電力自動化產品的研發、設計、生產、銷售和服務為一體的高科技公司。
公司依托國際大都市上海的優越環境,擁有資深繼電保護專家團隊,熟悉中國電網實際運行特點,聯合國內外**高校不斷引進國內外先進技術,積極響應市場的需求,技術不斷創新,堅持行業**地位,主要生產電力繼電器及微機綜合保護裝置,電力智能配電設備,變電站自動化監控系統。產品廣泛用于電力、工礦、鐵路、建筑等國家重大工程輸配變電系統上,產品遠銷東南亞及中東地區。
公司具備國內**的檢測儀器及校驗設備,建立了模擬運行老化系統,以精湛的技術嚴格的生產制造工藝,健全的生產管理體系,精耕細作,精益求精。產品通過國家繼電保護及自動化設備質量監督檢驗中心檢測,獲得ISO-9001:2000國際質量體系認證。
“科技創新,誠信務實”是公司的經營理念,上繼科技以售前技術支持,售后完善服務,在電力系統中樹立了良好的聲譽,深受各大設計院的認可,贏得輸配電成套企業的信賴。上繼科技本著對社會,對用戶高度的責任感,堅持走專業化道路,繼續創新超越,為我國智能電網電力自動化做出更大的貢獻!

DX-8E信號繼電器用于繼電保護線路中,作為直流回路動作指示用。
一、DX-8E信號繼電器的技術數據
DX-8E信號繼電器主要技術數據見表。

二、DX-8E信號繼電器的開孔尺寸

三、DX-8E信號繼電器的接線圖


DX-4A信號繼電器使用于電力系統二次回路的繼電保護線路中,作為動作指示信號用。
一、DX-4A信號繼電器的技術數據
●工作繞組額定值:DC 6V、12V、24V、48V、110V、220V、0.0lA、0.015A、0.02A、0.025A、0.03A、0.04A、 0.05A、 0.075A、0.08A、0.1A、0.15A、0.2A、0.25A、0.5A、0.75A、lA、2A、4A、0.06A。
●復歸繞組額定值:6V、12V、24V、48V、110V、220V。
●動作值:動作電壓不大于70%額定值;動作電流不大于90%額定值。
●復歸電壓:不大于70%。
●返回值:不小于2%額定值。
●功率消耗:電壓型不大于2W;電流型不大于0.2W。
●觸點容量:保持觸點在220V,電流不超過lA的直流有感電路中(時間常數為5±0.75ms),分斷容量為50W,瞬時觸點為30W,在220V電流不超過lA的交流電路中分斷容量為200VA。
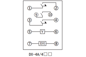
二、DX-4A信號繼電器的接線圖

三、DX-4A信號繼電器的開孔尺寸

上海上繼科技有限公司(專注電力保護繼電器生產廠家)銷售熱線:021-57233089 QQ:1932551438
{以上內容僅供參考,上海上繼科技有限公司有最終解釋權}
更多繼電器精彩文章——DXM-4A信號繼電器技術數據及開孔尺寸
- 上一篇:單相智能數顯直流電流表廠家介紹
- 下一篇:信號繼電器廠家推薦





