DX-31BJ信號繼電器接線圖及應用范圍-上海上繼科技有限公司
發表時間:2019-11-07 13:50 瀏覽次數:1212 〖返回〗一、DX-31BJ信號繼電器應用范圍
DX-31BJ信號繼電器,適用于交流操作的保護線路中,作為動作指示器。

二、DX-31BJ信號繼電器技術參數
1、 額定值 繼電器工作繞組額定值為220、110、48、24、12V或0.01、0.015、0.02、0.025、0.04、0.05、0.075、0.08、0.1、0.15、 0.2、0.25、0.5、0.75、1、2、4A。 DX-32A/B保持回路額定值為220、110、48V。
2、動作值 動作電壓不大于70%額定電壓;動作電流不大于90%額定電流。
3、保持值:不大于80%額定保持電壓。
4、 返回值:不小于5%額定值。
5、功率消耗:電流繞組不大于0.3W,電壓繞組不大于3W。 a.DX-32A電壓保持回路220V不大于10W,110V不大于5W,48V不大于3W。 b.DX-32B電壓保持回路220V不大于20W,110V不大于10W,48V不大于4W。
6、線圈電阻值見表1。
7、觸點容量 A.在電壓不超過250V(時間常數為5±0.75ms),電流不大于0.5A的直流電路中,能斷開30W。 B.在電壓不超過250V(cosφ=0.4±0.1),電流不大于1V的交流電路中,能斷開100VA。
8、介質強度 繼電器各導電電路連在一起對外露的非帶金屬部分及外殼之間,工作繞組對不接保持繞組的觸點電路之間,應能承受2kV(有效值),50Hz的交流試驗電壓歷時1min試驗,而無絕緣擊穿或閃絡現象。
9、壽命:電壽命1000次,機械壽命5000次。
10、 熱穩定性:電壓長期通以110%額定電壓,電流繞組長期通以額定電流,周圍環境溫度為40℃時,繞組溫升不大于65℃。
11、 重量:0.40kg。

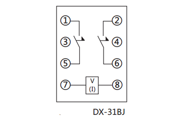
三、DX-31BJ信號繼電器接線圖

公司介紹:上海上繼科技有限公司是一家專業從事電力系統繼電保護及智能電網電力自動化產品的研發、設計、生產、銷售和服務為一體的高科技公司。擁有資深繼電保護專家團隊和國內**的檢測儀器及校驗設備。同時還引用國內外先進技術,來進行技術創新。本公司的產品廣泛用于電力、工礦、鐵路、建筑等國家重大工程輸配變電系統上,產品遠銷東南亞及中東地區。產品通過國家繼電保護及自動化設備質量監督檢驗中心檢測,獲得ISO9001國際質量體系認證。“科技創新,誠信務實”是公司的經營理念,本公司以高超的技術支持和對用戶高度負責的售后服務贏得了輸配電成套企業的信賴,且樹立了良好的信譽。
上海上繼科技有限公司(專注電力保護繼電器生產廠家)銷售熱線:021-57233089 QQ:1932551438
{以上內容僅供參考,上海上繼科技有限公司有最終解釋權}
更多繼電器精彩文章——JZS-G-24端子排靜態延時中間繼電器工作原理及主要性能





