JC-2繼電器-上海上繼科技有限公司
發表時間:2019-11-25 10:26 瀏覽次數:1117 〖返回〗
一、JC-2繼電器概述
JC-2繼電器應用于在直流操作的繼電保護及控制回路中作為集中信號的主要元件。
二、JC-2繼電器技術參數
·額定直流電壓:220V、110V、48V、24V。沖擊動作電流及沖擊返回電流IC=0.1A,不受穩定電流∑IC的限制。
·**長期穩定電流: ∑IC max=2A。
·功率消耗: ∑IC=2A時不大于4W。
·觸點容量:在電壓不超過220V,電流不超過lA時可斷開直流有感負荷(時間常數為5±0.75ms)為20W。
·介質強度 在電路對外殼的絕緣強度能耐受交流50Hz電壓2000V歷時1min的耐壓試驗而無擊穿或閃絡現象
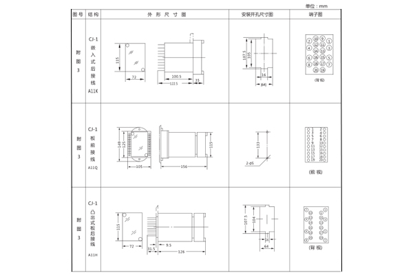
三、JC-2繼電器接線圖

四、JC-2繼電器開孔尺寸

公司介紹:上海上繼科技有限公司是一家專業從事電力系統繼電保護及智能電網電力自動化產品的研發、設計、生產、銷售和服務為一體的高科技公司。擁有資深繼電保護專家團隊和國內**的檢測儀器及校驗設備。同時還引用國內外先進技術,來進行技術創新。本公司的產品廣泛用于電力、工礦、鐵路、建筑等國家重大工程輸配變電系統上,產品遠銷東南亞及中東地區。產品通過國家繼電保護及自動化設備質量監督檢驗中心檢測,獲得ISO9001國際質量體系認證。“科技創新,誠信務實”是公司的經營理念,本公司以高超的技術支持和對用戶高度負責的售后服務贏得了輸配電成套企業的信賴,且樹立了良好的信譽。
上海上繼科技有限公司(專注電力保護繼電器生產廠家)銷售熱線:021-57233089 QQ:1932551438
{以上內容僅供參考,上海上繼科技有限公司有最終解釋權}
更多繼電器精彩文章——JL-41電流繼電器主要性能及技術要求
- 上一篇:ZJC-3靜態沖擊繼電器
- 下一篇:JC-2沖擊繼電器





