DT-1/200同步檢查繼電器-上海上繼科技有限公司
發表時間:2019-11-28 10:19 瀏覽次數:1273 〖返回〗
一、DT-1/200同步檢查繼電器技術條件
在額定電壓下,當電壓向量間的相角差在20°~40°范圍內時繼電器動作。
1.返回系數:不小于0.8。
2.整定刻度誤差:不大于±7.5%。
3.動作值 一致性:不大于6%。
4.功率消耗:不大于3VA。
5.介質強度:導電部分對于外殼的絕緣耐受2000V,50Hz交流電,歷時1min。
6.觸點容量:當電壓為220V,電流為2A時,在具有電感性負荷的直流電路中(時間常數為5±0.75ms),觸點的斷開功率為50W,在交流電路中觸點的斷開功率為25OVA。
二、DT-1/200同步檢查繼電器主要用途
DT-1/200同步檢查繼電器用于兩端供電線路的自動重合閘線路中,以檢査線路上電壓的存在及線路上和變電站匯流排上電壓向量間的相角差。
三、DT-1/200同步檢查繼電器接線圖

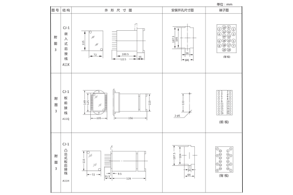
四、DT-1/200同步檢查繼電器開孔尺寸

公司介紹:上海上繼科技有限公司是一家專業從事電力系統繼電保護及智能電網電力自動化產品的研發、設計、生產、銷售和服務為一體的高科技公司。擁有資深繼電保護專家團隊和國內**的檢測儀器及校驗設備。同時還引用國內外先進技術,來進行技術創新。本公司的產品廣泛用于電力、工礦、鐵路、建筑等國家重大工程輸配變電系統上,產品遠銷東南亞及中東地區。產品通過國家繼電保護及自動化設備質量監督檢驗中心檢測,獲得ISO9001國際質量體系認證。“科技創新,誠信務實”是公司的經營理念,本公司以高超的技術支持和對用戶高度負責的售后服務贏得了輸配電成套企業的信賴,且樹立了良好的信譽。
上海上繼科技有限公司(專注電力保護繼電器生產廠家)銷售熱線:021-57233089 QQ:1932551438
{以上內容僅供參考,上海上繼科技有限公司有最終解釋權}
更多繼電器精彩文章——JC-7/22繼電器
- 上一篇:DT-1/200繼電器
- 下一篇:DZY-401導軌式中間繼電器產品價格及技術條件





