SSJ-41B靜態時間繼電器技術參數及主要用途-上海上繼科技有限公司
發表時間:2019-12-15 17:17 瀏覽次數:949 〖返回〗一、SSJ-41B靜態時間繼電器技術參數

1、額定值及規格檢查上表。
2、延時準確度
a、延時整定值的平均誤差:在基準條件下,繼電器延時整定值平均誤差絕對值不大于整定值的0.1%+3ms;
平均誤差= (5次測量平均值一整定值)/整定值 x100%。
b、延時一致性:在基準條件下,繼電器延時一致性不大于整定值的(3-10ms)。
c、 在-10~ 50°C的溫度下,任一延時整定值的平均誤差(包含一致性)的絕對值不大于整定值的0.1%+5ms。
3、工作電壓:動作電壓不大于額定電壓的70%時,繼電器應可靠工作。
4、繼電器的返回時間
切斷電器電源,出口觸點返回至起始位置的時間,對于使用直流電源工作的品種,應不大于25ms。
5、繼電器的返回電壓
降低繼電器電壓不小于額定電壓的10%時 , 繼電器觸點應可靠返回 。
6、功率消耗
DC48V,不大于2W;
DC110V或AC100~127V, 不大于4.5W(6.5VA)
DC或AC220V,不大于8.1W(13VA)。
7、熱性能要求
本系列繼電器可長期通電工作,當環境溫度為50°C時,可長期承受1.1倍額定電壓值。
8、電源工作特性:電源緩慢升降、突然通/斷電或通過料動觸點供電 ,繼電器能夠正常工作,并且無零秒出口及瞬動出口現象。
二、SSJ-41B靜態時間繼電器型號命名及含義

SSJ-41B靜態時間繼電器型號與被替換老型號對照表:

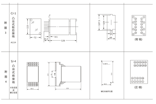
三、SSJ-41B靜態時間繼電器安裝尺寸

公司介紹:上海上繼科技有限公司是一家專業從事電力系統繼電保護及智能電網電力自動化產品的研發、設計、生產、銷售和服務為一體的高科技公司。擁有資深繼電保護專家團隊和國內**的檢測儀器及校驗設備。同時還引用國內外先進技術,來進行技術創新。本公司的產品廣泛用于電力、工礦、鐵路、建筑等國家重大工程輸配變電系統上,產品遠銷東南亞及中東地區。產品通過國家繼電保護及自動化設備質量監督檢驗中心檢測,獲得ISO9001國際質量體系認證。“科技創新,誠信務實”是公司的經營理念,本公司以高超的技術支持和對用戶高度負責的售后服務贏得了輸配電成套企業的信賴,且樹立了良好的信譽。
公司主營:繼電器(時間繼電器,電壓繼電器,電流繼電器,中間繼電器,信號繼電器,閃光繼電器,沖擊繼電器,同步檢查繼電器,接地繼電器,差動繼電器,重合閘繼電器,絕緣監視繼電器,雙位置繼電器,模數化繼電器),微機保護裝置,電力儀表,智能操控裝置
上海上繼科技有限公司(專注電力保護繼電器生產廠家)銷售熱線:021-57233089 QQ:1932551438
{以上內容僅供參考,上海上繼科技有限公司有最終解釋權}
更多繼電器精彩文章——SSJ-32A靜態時間繼電器生產廠家及說明書





