DL-21CE電流繼電器接線圖及開孔尺寸-上海上繼科技有限公司
發表時間:2019-12-18 10:30 瀏覽次數:928 〖返回〗
一、DL-21CE電流繼電器的概念
DL-21CE電流繼電器(以下簡稱繼電器)用于發電機、變壓器及輸電線路的過負荷和短路的繼電保護線路中,作為起動元件。
二、DL-21CE電流繼電器的結構
1. 繼電器系電磁式,瞬時動作,磁系統有兩個線圈,線圈出頭接在底座端子上,用戶可以根據需要串并聯,因而可使繼電器整定變化一倍。
2. 繼電器**的刻度值及額定值對于電流繼電器是線圈串聯的(以安培為單位)轉動刻度盤上的指針、以改變游絲的反作用力矩,從而可以改變繼電器的動作值。
3. 繼電器的動作:電流升至整定值或大于整定值時,繼電器就動作,動合觸點閉合,動斷觸點斷開。當電流降低到0.8倍整定值時,繼電器就返回,動合觸點斷開,動斷觸點閉合。
三、DL-21CE電流繼電器的產品參數
●動作誤差:不大于6%。
●動作時間:1.1倍實測動作值時不大于0.12s 2倍實測動作值時不大于0.04s
●動作一致性:不大于5%。
●觸點容量:在電壓不超過250V,電流不超過5A,時間常數為5±0.75ms的直流有感負荷電路中,產品輸出觸點的斷開容量為50W。輸出觸點在上述規定的負荷條件下,產品能可靠動作及返回5×104次。輸出觸點長期允許接通電流為5A。
●介質強度:產品各導電端子連在一起,對外露的非帶電金屬部分或外殼之間,能承受2000V(有效值)50Hz的交流電壓歷時1分鐘試驗而無絕緣擊穿或閃絡現象。

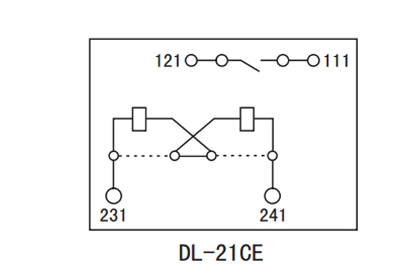
四、DL-21CE電流繼電器的接線圖

五、DL-21CE電流繼電器外形尺寸

公司介紹:上海上繼科技有限公司是一家專業從事電力系統繼電保護及智能電網電力自動化產品的研發、設計、生產、銷售和服務為一體的高科技公司。擁有資深繼電保護專家團隊和國內**的檢測儀器及校驗設備。同時還引用國內外先進技術,來進行技術創新。本公司的產品廣泛用于電力、工礦、鐵路、建筑等國家重大工程輸配變電系統上,產品遠銷東南亞及中東地區。產品通過國家繼電保護及自動化設備質量監督檢驗中心檢測,獲得ISO9001國際質量體系認證。“科技創新,誠信務實”是公司的經營理念,本公司以高超的技術支持和對用戶高度負責的售后服務贏得了輸配電成套企業的信賴,且樹立了良好的信譽。
公司主營:繼電器(時間繼電器,電壓繼電器,電流繼電器,中間繼電器,信號繼電器,閃光繼電器,沖擊繼電器,同步檢查繼電器,接地繼電器,差動繼電器,重合閘繼電器,絕緣監視繼電器,雙位置繼電器,模數化繼電器),微機保護裝置,電力儀表,智能操控裝置
上海上繼科技有限公司(專注電力保護繼電器生產廠家)銷售熱線:021-57233089 QQ:1932551438
{以上內容僅供參考,上海上繼科技有限公司有最終解釋權}
更多繼電器精彩文章——SSJ8-12C高精度時間繼電器產品圖片及產品價格





