DS-36/2時間繼電器技術參數及使用方法-上海上繼科技有限公司
發表時間:2020-03-26 17:05 瀏覽次數:1115 〖返回〗一、DS-36/2時間繼電器使用方法
DS-36/2時間繼電器作為輔助元件用于各種保護及自動裝置中,使被控元件達到所需要的延時,在保護裝置中用以實現主保護與后備保護的選擇性配合。

二、DS-36/2時間繼電器結構和原理
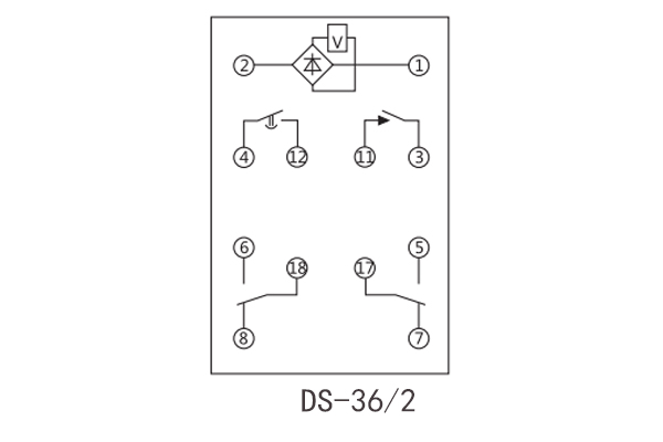
DS-36/2時間繼電器系一電磁鐵帶動一鐘表延時機構 ,電磁鐵可以由直流成交流電源供電,本系列中的交流時間繼電器其內部裝有橋式整流器, 將電源整流后供給電磁鐵。每臺繼電器內均有兩付瞬時轉換觸點.一付延時主觸點(終止觸點),根據不同的規格.可以安裝一付滑動延時觸點,其延時整定值,可以等于或小于延時主觸點的整定值;繼電器蓋子上可以裝設拖針,以指示繼電器動作情況, (規格表中型號后帶有X 的即為帯有拖針的規格)為便于維修,繼電器內部有插件,在取下蓋子后即可將繼電器部分抽出。
繼電器沒有動作時,瞬動轉換觸點的閉觸點閉合,延時觸點斷開 ,拖針指零,當向電磁鐵供電后,電磁鐵吸合,瞬時轉換觸點進行瞬時切換,鐘表機構開始轉動 ,延時動觸點向閉合方向移動,同時帶動拖針轉動 ,根據延時觸點的整定滑動觸點及主觸點先后接通 ,主觸點接通后由于止檔限制機構的轉動 ,機構停止,繼電器將可長期停留在主觸點點閉合的狀態下.當電源斷開后各觸點瞬時復歸至原來狀態.拖針留在該處,其指示值應符合主觸點整定值, (實際上拖針指示值應稍大于主觸點整定值,因為觸點在接通后仍可滑行一段距離,另外當電源在延時未完了時斷電,則拖針所指示的時間完全等于動觸點所產生的延時,因而拖針可指示出繼電器的復歸時間,便于分析間題)拖針可以方便的在繼電器外部復歸,將蓋子上的旋鈕依順時針方向旋轉,首先拖針碰到動觸點而停止.繼續轉動旋鈕,使刻度零位對準拖針為止。
2.繼電器的內部接線圖見圖1。
3.直流繼電器動作電壓不大于70%額定電壓,交流繼電器動作電壓不大于85%額定電壓,返回電壓不小于5%額定電壓。
4.繼電器延時的誤差: (指在20±5°C時10次動作中,**與最小值之差)
DS-31 , DS-31C, DS-35 , DS-35C為0.06s。
DS-32 , DS-32C, DS-36 , DS-36C為0.125s。
DS-33 , DS-33C, DS-37 . DS-37C為0.25s。
DS-34 , DS-34C, DS-38 , DS-38C為0.5s。
5.繼電器線圈在額定電壓下的功率消耗
對于直流短時工作的: DS-31 . DS-32 , DS-33 . DS-34不大于25W。
對于直流長時工作的: DS-31C, DS-32C, DS-33C, DS-34C不大于15W。
對于交流短時工作的: DS-35 , DS-36 , DS-37 , DS-38不大于20VA。
對于交流短時工作的: DS-35C, DS-36C, DS-37C. DS-38C不大于15VA。
6.熱穩定性
對于交直流短時工作的,線圈可承受110%額定電壓,歷時兩分鐘,其溫升不大于65°C。
對于直流交流長時工作的,線圈(經附加電阻)可長期承受110%額定電壓,其溫升不大于65°C。
7.繼電器各觸點斷開感性負載50W。(U不大于220V, I不大于1A, T小于5ms)。
8.繼電器觸點可長期閉合電流5A。
9.繼電器帶電部分對導磁體的絕緣可承受交流50Hz, 2KV,歷時lmin而不擊穿。
10.繼電器可工作5000次而無機械損壞。
11.繼電器使用溫度范圍: -20~+40°C。

三、DS-36/2時間繼電器開孔尺寸

公司介紹:上海上繼科技有限公司是一家專業從事電力系統繼電保護及智能電網電力自動化產品的研發、設計、生產、銷售和服務為一體的高科技公司。擁有資深繼電保護專家團隊和國內**的檢測儀器及校驗設備。同時還引用國內外先進技術,來進行技術創新。本公司的產品廣泛用于電力、工礦、鐵路、建筑等國家重大工程輸配變電系統上,產品遠銷東南亞及中東地區。產品通過國家繼電保護及自動化設備質量監督檢驗中心檢測,獲得ISO9001國際質量體系認證。“科技創新,誠信務實”是公司的經營理念,本公司以高超的技術支持和對用戶高度負責的售后服務贏得了輸配電成套企業的信賴,且樹立了良好的信譽。
公司主營:繼電器(時間繼電器,電壓繼電器,電流繼電器,中間繼電器,信號繼電器,閃光繼電器,沖擊繼電器,同步檢查繼電器,接地繼電器,差動繼電器,重合閘繼電器,絕緣監視繼電器,雙位置繼電器,模數化繼電器),微機保護裝置,電力儀表,智能操控裝置
上海上繼科技有限公司(專注電力保護繼電器生產廠家)銷售熱線:021-57233089 QQ:1932551438
{以上內容僅供參考,上海上繼科技有限公司有最終解釋權}
更多繼電器精彩文章——JWL-31繼電器產品圖片及工作原理





