DY-38/Z電壓繼電器-上海上繼科技有限公司
發表時間:2020-05-11 22:57 瀏覽次數:1156 〖返回〗一、DY-38/Z電壓繼電器用途
DY-38/Z電壓繼電器主要用于電力系統繼電保護線路中,作為低電壓閉鎖的動作元件。

DY-38/Z電壓繼電器規格及整定范圍如下表1

二、DY-38/Z電壓繼電器動作原理
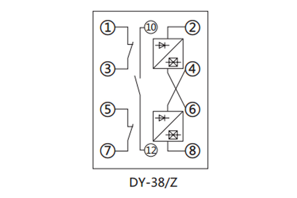
DY-38/Z電壓繼電器采用整流型原理,磁系統有兩個線圈,線圈出頭接在整流橋輸出端,兩個整流橋輸入端接在底座端子②、⑥、④、⑧上,用戶可 根據需要串、并聯,因而可使繼電器整定范圍變化一倍。 繼電器銘牌的刻度值及額定值是線圈并聯時的,轉動刻度盤上的指針,以改變游絲的機械反作用力矩,從而可以改變繼電器的動作值。 繼電器內部接線圖如圖1,端子接線圖如圖2。


三、DY-38/Z電壓繼電器主要指標
1.返回系數不大于1.25。
2.動作電壓一致性不大于5%。
3.動作時間不大于0.15s,即當工作電壓為0.5倍整定電壓時的動作時間不大于0.15s。
4.整定值誤差不超過±5%。
四、DY-38/Z電壓繼電器使用和維護
DY-38/Z電壓繼電器繼電器使用前,需去掉外殼,檢查有無在運輸中產生的損壞:如動片碰到磁板、游絲各圈相碰、動片軸上的摩擦等,為此,將繼電器的指針整定在 第一整定點上,用手將可動系統往磁板方向移動,然后放開,可動系統應當轉回到原平衡位置直到止檔,然后進行必要的調整和整定。
繼電器在重新調整時,必須保證:
1.可動系統的軸向活動量在0.15~0.3mm之間。
2. 動片與磁極間的氣隙,應當保證繼電器在規定的任何情況下,動片和磁極不得相碰。
3. 具有動合觸點和動斷觸點的繼電器,在動作過程中,橋形觸點不得同時接觸一動合靜觸點和一動斷靜觸點。
4. 當指針由第一刻度值旋向最終刻度值時,游絲各圈不得相碰。
5. 繼電器動作時,橋形觸點應在靜觸點的中心線上滑動,公差±1mm,動、靜觸點總氣隙不小于2mm。
6. 靜觸點和限制片之間的距離不大于0.3mm。
7. 不宜潤滑繼電器的軸和軸承。
8 .不允許用砂紙或其它粗糙材料清潔觸點,宜用鋒利的刀刃或清潔的細磨石清潔觸點,然后用清潔的柔軟的布片擦干凈,避免用手指接觸觸點。
公司介紹:上海上繼科技有限公司是一家專業從事電力系統繼電保護及智能電網電力自動化產品的研發、設計、生產、銷售和服務為一體的高科技公司。擁有資深繼電保護專家團隊和國內**的檢測儀器及校驗設備。同時還引用國內外先進技術,來進行技術創新。本公司的產品廣泛用于電力、工礦、鐵路、建筑等國家重大工程輸配變電系統上,產品遠銷東南亞及中東地區。產品通過國家繼電保護及自動化設備質量監督檢驗中心檢測,獲得ISO9001國際質量體系認證。“科技創新,誠信務實”是公司的經營理念,本公司以高超的技術支持和對用戶高度負責的售后服務贏得了輸配電成套企業的信賴,且樹立了良好的信譽。
公司主營:繼電器(時間繼電器,電壓繼電器,電流繼電器,中間繼電器,信號繼電器,閃光繼電器,沖擊繼電器,同步檢查繼電器,接地繼電器,差動繼電器,重合閘繼電器,絕緣監視繼電器,雙位置繼電器,模數化繼電器),微機保護裝置,電力儀表,智能操控裝置
上海上繼科技有限公司(專注電力保護繼電器生產廠家)銷售熱線:021-57233089 QQ:1932551438
{以上內容僅供參考,上海上繼科技有限公司有最終解釋權}
更多繼電器精彩文章——JGL-14/II過流繼電器接線圖及使用方法
- 上一篇:DY-37/Z電壓繼電器
- 下一篇:DY-41電壓繼電器





