DY-4電壓繼電器接線圖及開孔尺寸-上海上繼科技有限公司
發表時間:2019-07-13 15:47 瀏覽次數:988 〖返回〗
一、DY-4電壓繼電器的應用范圍
DY-4負序電壓繼電器用于發電機和變壓器的繼電保護線路中,作為電壓閉鎖元件,它反應不對稱故障時線路電壓的負序分量。
二、DY-4電壓繼電器的參數
●額定電壓:線電壓100V、173V、50Hz。
●整定范圍:6~12V、10.4~20.8V。
●返回系數:不小于0.8。
●功率消耗:不大于20VA。

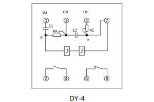
三、DY-4電壓繼電器的接線圖

四、DY-4電壓繼電器的開孔尺寸

公司介紹:
上海上繼科技有限公司是一家專業從事電力系統繼電保護及智能電網電力自動化產品的研發、設計、生產、銷售和服務為一體的高科技公司
公司依托國際大都市上海的優越環境,擁有資深繼電保護專家團隊,熟悉中國電網實際運行特點,聯合國內外**高校不斷引進國內外先進技術,積極響應市場的需求,技術不斷創新,堅持行業**地位,主要生產電力繼電器及微機綜合保護裝置,電力智能配電設備,變電站自動化監控系統。產品廣泛用于電力、工礦、鐵路、建筑等國家重大工程輸配變電系統上,產品遠銷東南亞及中東地區。
公司具備國內**的檢測儀器及校驗設備,建立了模擬運行老化系統,以精湛的技術嚴格的生產制造工藝,健全的生產管理體系,精耕細作,精益求精。產品通過國家繼電保護及自動化設備質量監督檢驗中心檢測,獲得ISO-9001:2000國際質量體系認證。
“科技創新,誠信務實”是公司的經營理念,上繼科技以售前技術支持,售后完善服務,在電力系統中樹立了良好的聲譽,深受各大設計院的認可,贏得輸配電成套企業的信賴。上繼科技本著對社會,對用戶高度的責任感,堅持走專業化道路,繼續創新超越,為我國智能電網電力自動化做出更大的貢獻!
上海上繼科技有限公司(專注電力保護繼電器生產廠家)銷售熱線:021-57233089 QQ:1932551438
{以上內容僅供參考,上海上繼科技有限公司有最終解釋權}
更多繼電器精彩文章——DX-15B/D信號繼電器開孔尺寸及接線圖





