JY8-22電壓繼電器技術數據及接線圖-上海上繼科技有限公司
發表時間:2019-07-25 17:04 瀏覽次數:922 〖返回〗
一、JY8-22電壓繼電器的用途
JY8-21集成電路電壓繼電器是靜態型、瞬動、交流電壓繼電器。用于發電機、變壓器和輸電線的繼電保護裝置中,作為過電壓保護和低電 壓閉鎖的動作元件。繼電器采用數碼撥輪開關,專用開關穩壓電源,高性能中間繼電器,確保整機安全可靠。
JY8靜態電壓繼電器是專為替代DY系列繼電器而設計的升級產品,整定值在15V以上者不需要加直流輔助電源。該產品同時具備精度高、功耗小、 動作時間快、返回系數高、整定直觀方便、整定范圍寬以及作為低電壓使用時無抖動現象等優點。而且繼電器外型尺寸及接線端子與DY系列 完全相同,替換方便。
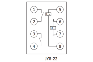
二、JY8-22電壓繼電器的接線圖

三、JY8-22電壓繼電器的技術數據
1.電壓整定范圍
a) A: 1V ~140V(需輔助直流電源);
b) B: 15V~130V ;
c) C: 80V~240V ;
d) D: 180V~440V 。
2.額定輔助直流電壓: 48V、110V、220V。
3.功率消耗
a)交流回路功耗:在**整定電壓值時,繼電器的功耗不大于2.5VA;
b)直流回路功耗:在額定輔助直流電壓下,繼電器功率不大于4W。
4.直流輔助電壓允許變化范圍:0.8-1.1倍額定值。
5.動作時間
a)過電壓繼電器:從0.8倍整定值升至1.2倍整定值時動作時間不大于25ms。
b)低電壓繼電器:從2倍整定值降至0.8倍整定值時動作時間不大于25ms。
6.返回時間
a)過電壓繼電器:從1.2倍整定值降至0.8倍整定值時,返回時間不大于25ms。
b)低電壓繼電器:從0.8倍整定值升至2倍整定值時,返回時間不大于25ms。
7.返回系數: a)過電壓繼電器返回系數不小于0.9。
b)低電壓繼電器返回系數不大于1.1。
8.整定誤差:在基準條件下,電壓整定誤差不大于5%。
9.觸點性能: 繼電器觸點在電壓不大于250V,電流不大于2A的直流有感負荷(時間常數為5ms±0.75ms)電路中,斷開容量為50W,在電壓不大于 250V,電流不大于1A的交流電路中(功率因數為0.4±0.1)斷開容量為250VA。
10.絕緣電阻 繼電器各電路對外露的非帶電金屬部分及無電氣聯系的各回路之間的絕緣電阻應不小于300MΩ。
11.介質強度 繼電器各電路對外露的非金屬部分之間,以及線圈電路對觸點電路之間,應能承受2kV(有效值)、50Hz的交流試驗電壓,歷時1min 試驗,應無絕緣擊穿或閃絡現象。
12.工作條件
a) 使用地點不允許有爆炸危險的介質,周圍介質中不含有腐蝕金屬和破壞金屬的氣體及 導電介質,不允許充滿水蒸汽及有嚴重的霉菌存在;
b) 使用地點不允許有較強的振動和沖擊;
c) 使用地點應具有防御雨、雪、風、沙的設備;
d) 使用地點不允許超過1.5mT的外磁感應強度。
13.電氣抗干擾繼電器應符合GB7261和GB6261《靜態型繼電器及保護裝置的電氣抗干擾試驗》。
四、JY8-22電壓繼電器的原理
電壓繼電器分為凸出式固定結構,凸出式插拔式結構,嵌入式插拔結構,導軌式結構等,并有透明的塑料外罩(導軌式為全封閉式),用薄碼進行整定。
當被測量的交流電壓經隔離變壓器降壓后得到與被測電壓成正比的電壓Ui,經整定后進行整流,整流后脈沖電壓經濾波器濾波,得到與Ui成正比的直流電壓Uo,在電平檢測中Uo與直流參考電壓Ue進行比較,若直流電壓 Uo 高于參考電壓,電平檢測器輸出正信號,驅動出口繼電器,則本繼電器處于動作狀態。反之,不論是過電壓繼電器或是低電壓繼電器,若直流電壓 Uo 低于參考電壓Ue,電平檢測器輸出負信號,本繼電器處于不動作狀態。
五、JY8-22電壓繼電器的絕緣性能
a. 絕緣電阻不小于300MΩ。
b. 介質強度
繼電器各導電電路連在一起與外露的非帶電金屬部分及外殼之間,能承受2kV(有效值)、50Hz的交流電壓歷時1min的試驗,而無絕緣擊穿或閃絡現象。
公司介紹:上海上繼科技有限公司是一家專業從事電力系統繼電保護及智能電網電力自動化產品的研發、設計、生產、銷售和服務為一體的高科技公司。擁有資深繼電保護專家團隊和國內**的檢測儀器及校驗設備。同時還引用國內外先進技術,來進行技術創新。本公司的產品廣泛用于電力、工礦、鐵路、建筑等國家重大工程輸配變電系統上,產品遠銷東南亞及中東地區。產品通過國家繼電保護及自動化設備質量監督檢驗中心檢測,獲得ISO-9001:2000國際質量體系認證?!翱萍紕撔?,誠信務實”是公司的經營理念,本公司以高超的技術支持和對用戶高度負責的售后服務贏得了輸配電成套企業的信賴,且樹立了良好的信譽。
上海上繼科技有限公司(專注電力保護繼電器生產廠家)銷售熱線:021-57233089 QQ:1932551438
{以上內容僅供參考,上海上繼科技有限公司有最終解釋權}
更多繼電器精彩文章——JY-BS/4/210電壓繼電器技術數據及原理





