DZK-936中間繼電器參數及接線圖-上海上繼科技有限公司
發表時間:2019-08-13 13:53 瀏覽次數:897 〖返回〗
一、DZK-936中間繼電器的介紹
用于繼電保護與自動控制系統中,以增加觸點的數量及容量。 它用于在控制電路中傳遞中間信號。中間繼電器的結構和原理與交流接觸器基本相同,與接觸器的主要區別在于:接觸器的主觸頭可以通過大電流,而中間繼電器的觸頭只能通過小電流。所以,它只能用于控制電路中。 它一般是沒有主觸點的,因為過載能力比較小。所以它用的全部都是輔助觸頭,數量比較多。新國標對中間繼電器的定義是K,老國標是KA。一般是直流電源供電。少數使用交流供電。
二、DZK-936中間繼電器的參數
●額定工作電壓:DC:220V、110V、48V、24V。
●額定工作電流:DC:0.25A、0.5A、lA、1.5A、2A、4A、8A。
●額定保持電流:DC:0.25A、0.5A、lA、2A、4A、8A。
●額定保持電壓:DC:220V、110V、48V、24V。
●動作值:在周圍環境溫度為20 ±2℃的條件下,電壓型的動作電壓為50%-70%的額定電壓;電流型的動作電流不大于80%額定電流。
●返回值:周圍環境溫度為20±2℃的條件下,返回值不小于5%額定值。
●保持值:在周圍環境溫度為20±2C的條件下
a.具有電流保持繞組的產品,其自保持電流不大于80%額定保持電流值;
b.具有電壓保持繞組的產品,其保持電壓不大于70%額定保持電壓值。
●動作時間:在周圍環境溫度為20 ±2℃的條件下,工作繞組施加激勵量為額定值,D2K-900/8動作時間不大于8ms,DZK-900/4動作時間不大于4ms(四對觸點以上增加0.5ms)。DZK-900/4電流型產品動作時間不大于5ms(四對觸點以上增加0.5ms)。
●返回時間:在周圍互不干涉溫度為20±2℃的條件下,DZK-900/8返回時間不大于5ms,DZK-900/4返回時間不大于2ms。
●功率消耗:不大于10W(包括外附電阻)。
●觸點容量:在電壓不超過250V,電流不超過5A,時間常數為5±0.75ms的直流有感負荷電路中,產品輸出觸點的斷開容量為50W。 輸出觸點在上述規定的負荷條件下,產品能可靠動作及返回5×104次。輸出觸點長期允許接通電流為5A。
●介質強度:產品各導電端子連在一起,對外露的非帶電金屬部分或外殼之間,能承受2000V(有效值)50Hz的交流電壓歷時1分鐘試驗而無絕緣擊穿或閃絡現象。
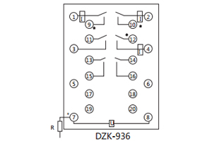
三、DZK-936中間繼電器的接線圖

四、DZK-936中間繼電器的結構
⒈線圈裝在"U"形導磁體上,導磁體上面有一個活動的銜鐵,導磁體兩側裝有兩排觸點彈片。在非動作狀態下觸點彈片將銜鐵向上托起,使銜鐵與導磁體之間保持一定間隙。當氣隙間的電磁力矩超過反作用力矩時,銜鐵被吸向導磁體,同時銜鐵壓動觸點彈片,使常閉觸點斷開常開觸點閉合,完成繼電器工作。當電磁力矩減小到一定值時,由于觸點彈片的反作用力矩,而使觸點與銜鐵返回到初始位置,準備下次工作。
⒉本繼電器的"U"形導磁體采用雙鐵心結構,即在兩個邊柱上均可裝設線圈。對于DZY、DZL和DZJ型只裝一個線圈,而對于DZB,DZS,DZK型可根據需要在另一個鐵心上裝以保持線圈或延時用阻尼片等。從而使線圈類型大不相同的繼電器都通用一個導磁體。
3.中間繼電器原理和交流接觸器一樣,都是由固定鐵芯、動鐵芯、彈簧、動觸點、靜觸點、線圈、接線端子和外殼組成。
五、DZK-936中間繼電器的觸點性能
觸點斷開容量,交流:10A,250V AC;直流10A,28V DC。
觸點**切換功率,交流:1800VA;直流:360W。
觸點長期允許閉合電流:裝置輸出觸點長期允許閉合電流為5A。
觸點電氣壽命:輸出觸點在上述規定的負荷條件下,產品能可靠動作及返回50000次。
公司介紹:上海上繼科技有限公司是一家專業從事電力系統繼電保護及智能電網電力自動化產品的研發、設計、生產、銷售和服務為一體的高科技公司。擁有資深繼電保護專家團隊和國內**的檢測儀器及校驗設備。同時還引用國內外先進技術,來進行技術創新。本公司的產品廣泛用于電力、工礦、鐵路、建筑等國家重大工程輸配變電系統上,產品遠銷東南亞及中東地區。產品通過國家繼電保護及自動化設備質量監督檢驗中心檢測,獲得ISO-9001:2000國際質量體系認證?!翱萍紕撔拢\信務實”是公司的經營理念,本公司以高超的技術支持和對用戶高度負責的售后服務贏得了輸配電成套企業的信賴,且樹立了良好的信譽。
上海上繼科技有限公司(專注電力保護繼電器生產廠家)銷售熱線:021-57233089 QQ:1932551438
{以上內容僅供參考,上海上繼科技有限公司有最終解釋權}
更多繼電器精彩文章——ZJ3-1A中間繼電器參數及接線圖





