DZJ-422中間繼電器結構及開孔尺寸-上海上繼科技有限公司
發表時間:2019-08-16 15:57 瀏覽次數:708 〖返回〗
一、DZJ-422中間繼電器的簡介
中間繼電器在繼電保護中和自動控制系統中是一個多用的自動遠動電器。中間繼電器因為有良好的電隔離.至使控制方和被控方無電器上的連接,而達到安全控制目的。
二、DZJ-422中間繼電器的接線圖

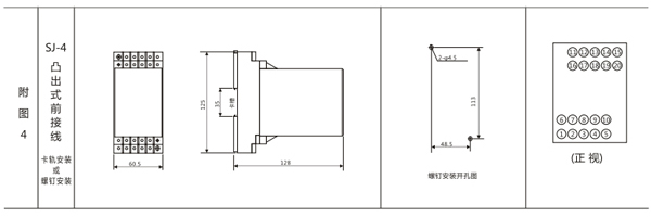
三、DZJ-422中間繼電器的結構
1.本繼電器為閥型電磁式繼電器。線圈裝在“U”形導磁體上, 導磁體上面有一個活動的銜鐵, 導磁體兩側裝有兩排觸點彈開。在非動作狀態下觸點彈片將銜鐵向上托起,使銜鐵與導磁體之間保持一定間隙。當氣隙間的電磁力矩超過反作用力矩時, 銜鐵被吸向導磁體,同時銜鐵壓動觸點彈片,使常閉觸點斷開常開觸點閉合,完成繼電器工作。當電磁力矩減小到一定值時,由于觸點彈片的反作用力矩,而使觸點與銜鐵返回到初始位置 ,準備下次工作。
2.本繼電器的“U”形導磁體采用雙鐵心結構,即在兩個邊柱上均可裝設線圈。對于DZY、 DZL和DZJ型只裝一個線圈, 而對于DZB, DZS, DZK型可根據需要在另一個鐵心上裝以保持線圈或延時用阻尼片等。從而使線圈類型大不相同的繼電器都通用一個導磁體。
3.本繼電器的外殼是隨著開關柜體的不斷改進而最新研發的新產品,為凸出式固定結構 ,柜內固定按裝板前接線,也可以安裝在35mm的導軌上,具有體積小、外形直觀、安裝接線方便等優點,填補了我國電力系統繼電器沒有導軌安裝的空白。
四、DZJ-422中間繼電器的開孔尺寸

五、DZJ-422中間繼電器的額定值
電壓額定值:額定電壓DC:12V、24V、48V、110V、220V; AC:110V、220V、380V。
動作值:動作電壓直流應不大于額定電壓70%,交流應不大于額定電壓75%;
返回值:返回電壓應不小于10%額定電壓。
動作時間和返回時間不大于15ms。
公司介紹:上海上繼科技有限公司是一家專業從事電力系統繼電保護及智能電網電力自動化產品的研發、設計、生產、銷售和服務為一體的高科技公司。擁有資深繼電保護專家團隊和國內**的檢測儀器及校驗設備。同時還引用國內外先進技術,來進行技術創新。本公司的產品廣泛用于電力、工礦、鐵路、建筑等國家重大工程輸配變電系統上,產品遠銷東南亞及中東地區。產品通過國家繼電保護及自動化設備質量監督檢驗中心檢測,獲得ISO-9001:2000國際質量體系認證?!翱萍紕撔?,誠信務實”是公司的經營理念,本公司以高超的技術支持和對用戶高度負責的售后服務贏得了輸配電成套企業的信賴,且樹立了良好的信譽。
上海上繼科技有限公司(專注電力保護繼電器生產廠家)銷售熱線:021-57233089 QQ:1932551438
{以上內容僅供參考,上海上繼科技有限公司有最終解釋權}
更多繼電器精彩文章——DZJ-408中間繼電器參數及開孔尺寸





