ZJC-2靜態沖擊繼電器工作原理及接線圖-上海上繼科技有限公司
發表時間:2019-09-06 21:45 瀏覽次數:994 〖返回〗
一、ZJC-2靜態沖擊繼電器概述
ZJC-2靜態沖擊繼電器在輸配電線路中應用于直流操作的保護與控制中作為集中信號裝置的主要元件,也可以用于特殊信號設備中。
二、ZJC-2靜態沖擊繼電器工作原理
繼電器由變流取樣、執行、保持或延時自動復歸等部分組成(見圖1) ,裝有二只發光二極管,監視電源和執行狀況。當加入電源或復歸后需經1~2s時間充電,準備好下一次工作, 一旦啟動回路中有信號輸入,電流脈沖信號經變流取樣后,使執行部分工作并輸出信號,經保持或延時復歸部分延時后可實現保持或延時自動復歸、手動復歸等功能。

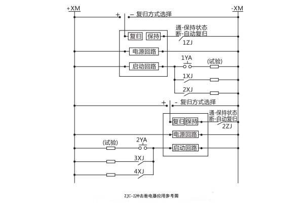
三、ZJC-2靜態沖擊繼電器接線圖



公司介紹:上海上繼科技有限公司是一家專業從事電力系統繼電保護及智能電網電力自動化產品的研發、設計、生產、銷售和服務為一體的高科技公司。擁有資深繼電保護專家團隊和國內**的檢測儀器及校驗設備。同時還引用國內外先進技術,來進行技術創新。本公司的產品廣泛用于電力、工礦、鐵路、建筑等國家重大工程輸配變電系統上,產品遠銷東南亞及中東地區。產品通過國家繼電保護及自動化設備質量監督檢驗中心檢測,獲得ISO-9001國際質量體系認證。“科技創新,誠信務實”是公司的經營理念,本公司以高超的技術支持和對用戶高度負責的售后服務贏得了輸配電成套企業的信賴,且樹立了良好的信譽。
上海上繼科技有限公司(專注電力保護繼電器生產廠家)銷售熱線:021-57233089 QQ:1932551438
{以上內容僅供參考,上海上繼科技有限公司有最終解釋權}
更多繼電器精彩文章——ZSJ-4直流斷電延時繼電器技術要求及產品圖片





