DLS-20雙位置繼電器使用方法及說明書-上海上繼科技有限公司
發表時間:2019-09-29 20:39 瀏覽次數:714 〖返回〗
一、DLS-20雙位置繼電器概述
DLS-20雙位置繼電器用于直接操作的各種保護和自動控制中,以實現機械閉鎖,并有位置指示。該繼電器采用JK-11K、 H、 Q型標準化殼體,具有嵌入式板后接線(JK-11K)、凸出式板后接線和凸出式板前接線(JK-1Q)三種結構形式。
二、DLS-20雙位置繼電器技術數據
DLS-20雙位置繼電器主要技術數據見表 。

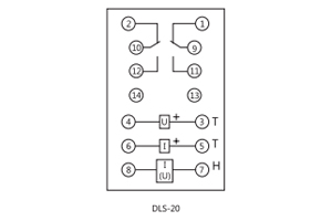
三、DLS-20雙位置繼電器使用方法

四、DLS-20雙位置繼電器開孔尺寸

公司介紹:上海上繼科技有限公司是一家專業從事電力系統繼電保護及智能電網電力自動化產品的研發、設計、生產、銷售和服務為一體的高科技公司。擁有資深繼電保護專家團隊和國內**的檢測儀器及校驗設備。同時還引用國內外先進技術,來進行技術創新。本公司的產品廣泛用于電力、工礦、鐵路、建筑等國家重大工程輸配變電系統上,產品遠銷東南亞及中東地區。產品通過國家繼電保護及自動化設備質量監督檢驗中心檢測,獲得ISO9001國際質量體系認證。“科技創新,誠信務實”是公司的經營理念,本公司以高超的技術支持和對用戶高度負責的售后服務贏得了輸配電成套企業的信賴,且樹立了良好的信譽。
上海上繼科技有限公司(專注電力保護繼電器生產廠家)銷售熱線:021-57233089 QQ:1932551438
{以上內容僅供參考,上海上繼科技有限公司有最終解釋權}
更多繼電器精彩文章——BG-13B功率繼電器接線圖及應用范圍





