DLS-31A雙位置繼電器生產廠家及產品價格-上海上繼科技有限公司
發表時間:2019-10-04 21:08 瀏覽次數:658 〖返回〗
一、DLS-31A雙位置繼電器生產廠家
上海上繼科技有限公司是一家專業從事電力系統繼電保護及智能電網電力自動化產品的研發、設計、生產、銷售和服務為一體的高科技公司。 公司依托國際大都市上海的優越環境,擁有資深繼電保護專家團隊,熟悉中國電網實際運行特點,聯合國內外**高校不斷引進國內外先進技術,積極響應市場的需求,技術不斷創新,堅持行業**地位,主要生產電力繼電器及微機綜合保護裝置,電力智能配電設備,變電站自動化監控系統。產品廣泛用于電力、工礦、鐵路、建筑等國家重大工程輸配變電系統上,產品遠銷東南亞及中東地區。
二、DLS-31A雙位置繼電器工作原理
1.結構
產品由兩個相互聯接的電磁機構、互鎖滑塊機構、位置指示器及觸點系統組成。每個電磁機構由磁軛、線圈及銜鐵組成,互鎖滑塊機構由兩個滑塊及拉簧組成。
2.工作原理
電磁機構的原理同一般的拍合式繼電器,當其中一個電磁機構被激勵時,其電磁線圈產生電磁力矩,吸合銜鐵,銜鐵
帯動互鎖滑塊機構,當去掉激勵量時,由于互鎖機構的作用,使得銜鐵保持在一個位置上,同時,銜鐵帶動了觸點系統,使得觸點也保持在一個位置上。當另一個電磁機構被激勵時,使得銜鐵和觸點系統保持在另一個位置上。而兩個電磁機構不能同時施加激勵量。
當銜鐵動作時,帯動了位置指示器,指示出產品所處的位置。綠牌表示跳閘位置,紅牌表示合閘位置。
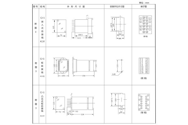
三、DLS-31A雙位置繼電器接線圖

四、DLS-31A雙位置繼電器開孔尺寸

五、DLS-31A雙位置繼電器產品價格
公司一貫以“合理的價格,高質量的產品,準時的交貨期,良好的信譽服務”為基本準則。本公司期待成為你忠實的朋友和合作伙伴,共創互惠雙贏的未來!更多價格詳細內容請來電咨詢:021-57233089,如有任何疑問可以在線聯系公司客服。
公司介紹:上海上繼科技有限公司是一家專業從事電力系統繼電保護及智能電網電力自動化產品的研發、設計、生產、銷售和服務為一體的高科技公司。擁有資深繼電保護專家團隊和國內**的檢測儀器及校驗設備。同時還引用國內外先進技術,來進行技術創新。本公司的產品廣泛用于電力、工礦、鐵路、建筑等國家重大工程輸配變電系統上,產品遠銷東南亞及中東地區。產品通過國家繼電保護及自動化設備質量監督檢驗中心檢測,獲得ISO9001國際質量體系認證?!翱萍紕撔?,誠信務實”是公司的經營理念,本公司以高超的技術支持和對用戶高度負責的售后服務贏得了輸配電成套企業的信賴,且樹立了良好的信譽。
上海上繼科技有限公司(專注電力保護繼電器生產廠家)銷售熱線:021-57233089 QQ:1932551438
{以上內容僅供參考,上海上繼科技有限公司有最終解釋權}
更多繼電器精彩文章——JPB-A數字式頻率繼電器接線圖及應用范圍





