DY-27C電壓繼電器主要性能及生產廠家-上海上繼科技有限公司
發表時間:2019-10-06 09:20 瀏覽次數:592 〖返回〗
一、DY-27C電壓繼電器主要性能
DY-27C電壓繼電器用于發電機、變壓器及輸電線的電壓升高(過電壓保護)或電壓降低(低電壓閉鎖)的繼電保護線路中。
二、DY-27C電壓繼電器主要技術參數

●動作時間:過電壓繼電器在1.2倍整定值時,動作時間不大于0.12s;低電壓繼電器在0.5倍整定值時,動作時間不大于0.15s;
●觸點容量:在電壓不超過250V,電流不超過5A,時間常數為5±0.75ms的直流有感負荷電路中,產品輸出觸點的斷開容量為 50W。輸出觸點在上述規定的負荷條件下,產品能可靠動作及返回5×104次。輸出觸點長期允許接通電流為5A。
●介質強度:產品各導電端子連在一起,對外露的非帶電金屬部分或外殼之間,能承受2000V(有效值)50Hz的交流電壓歷時1分鐘試 驗而無絕緣擊穿或閃絡現象。
●觸點形式:l動合、1動斷、1動合1動斷、2動合、2動斷
三、DY-27C電壓繼電器生產廠家
上海上繼科技有限公司是一家專業從事電力系統繼電保護及電力自動化的高新技術企業。公司主要生產各種微機綜合保護裝置,電力保護繼電器、電力儀表等產品。公司集研發、設計、生產、銷售和服務于一體,致力于為國內外輸配電、水利、城建、能源、礦山、化工客戶提供一整套從低壓到高壓、從硬件到軟件的系統級整體解決方案和配套服務。公司總部設在上海,全國各地設有辦事機構。
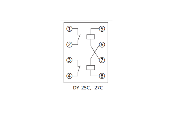
四、DY-27C電壓繼電器內部接線圖及外引接線圖(正視圖)

公司介紹:上海上繼科技有限公司是一家專業從事電力系統繼電保護及智能電網電力自動化產品的研發、設計、生產、銷售和服務為一體的高科技公司。擁有資深繼電保護專家團隊和國內**的檢測儀器及校驗設備。同時還引用國內外先進技術,來進行技術創新。本公司的產品廣泛用于電力、工礦、鐵路、建筑等國家重大工程輸配變電系統上,產品遠銷東南亞及中東地區。產品通過國家繼電保護及自動化設備質量監督檢驗中心檢測,獲得ISO9001國際質量體系認證。“科技創新,誠信務實”是公司的經營理念,本公司以高超的技術支持和對用戶高度負責的售后服務贏得了輸配電成套企業的信賴,且樹立了良好的信譽。
上海上繼科技有限公司(專注電力保護繼電器生產廠家)銷售熱線:021-57233089 QQ:1932551438
{以上內容僅供參考,上海上繼科技有限公司有最終解釋權}
更多繼電器精彩文章——DY-26D電壓繼電器開孔尺寸及技術參數





