JX-G/1靜態信號繼電器技術條件及主要性能-上海上繼科技有限公司
發表時間:2019-10-10 12:13 瀏覽次數:610 〖返回〗一、JX-G/1靜態信號繼電器作用
1) 擴大控制范圍。例如,多觸點繼電器控制信號達到某一定值時,可以按觸點組的不同形式,同時換接、開斷、接通多路電路。
2) 放大。例如,靈敏型繼電器、中間繼電器等,用一個很微小的控制量,可以控制很大功率的電路。
3) 綜合信號。例如,當多個控制信號按規定的形式輸入多繞組繼電器時,經過比較綜合,達到預定的控制效果。
4) 自動、遙控、監測。例如,自動裝置上的繼電器與其他電器一起,可以組成程序控制線路,從而實現自動化運行。

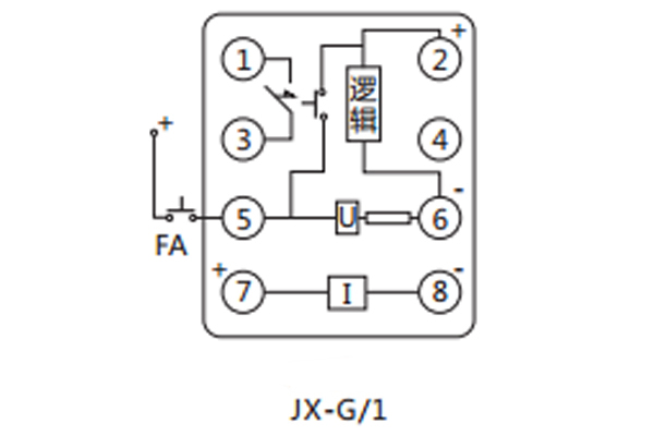
二、JX-G/1靜態信號繼電器技術條件及接線圖
額定值
電壓型額定工作電壓:DC220V、110V; 交流信號繼電器可根據客戶要求定做。
電流型額定工作電流:10mA~2A;如有特殊要求可定做。
動作值
電壓型:不大于70%額定電壓;
電流型:不大于90%額定電流。
動作時間:在額定工作狀態不大于20mS。
觸點容量
繼電器輸出電器的觸點斷開電壓不大于250V,時間常數為5±0.75mS的直流有負荷電路為50W,電壓不大于250V的交
流電路(功率因數COSΦ為0.4±0.1)為250VA。繼電器觸點可長期接頭2A。
介質強度:繼電器各導電端子連在一起對外露的非帶電金屬部分或外殼之間,能承受2000V(有效值),50Hz的交流 電壓,歷時1分鐘試驗而無絕緣擊穿或飛弧現象。
絕緣電阻:繼電器各導電端子連在一起對外露的非帶電金屬部分或外殼之間,用開路電壓500V的兆歐表測量其絕緣電阻 不小于300MΩ。
功率消耗:功率消耗不大于10W。
電壽命:繼電器觸點接于規定容量的電流負荷中,能可靠動作及返回,電壽命105次。
機電壽命:繼電器不接負荷能可靠動作及返回,其機械壽命為106次。
抗干擾性能:繼電器的抗干擾符合DL478-92《靜態繼電保護及安全自動裝置通用技術條件》。

三、JX-G/1靜態信號繼電器型號含義及命名

公司介紹:上海上繼科技有限公司是一家專業從事電力系統繼電保護及智能電網電力自動化產品的研發、設計、生產、銷售和服務為一體的高科技公司。擁有資深繼電保護專家團隊和國內**的檢測儀器及校驗設備。同時還引用國內外先進技術,來進行技術創新。本公司的產品廣泛用于電力、工礦、鐵路、建筑等國家重大工程輸配變電系統上,產品遠銷東南亞及中東地區。產品通過國家繼電保護及自動化設備質量監督檢驗中心檢測,獲得ISO9001國際質量體系認證。“科技創新,誠信務實”是公司的經營理念,本公司以高超的技術支持和對用戶高度負責的售后服務贏得了輸配電成套企業的信賴,且樹立了良好的信譽。
上海上繼科技有限公司(專注電力保護繼電器生產廠家)銷售熱線:021-57233089 QQ:1932551438
{以上內容僅供參考,上海上繼科技有限公司有最終解釋權}
更多繼電器精彩文章——JCDY-2/B直流電壓繼電器主要性能及生產廠家





