DX-15B/S信號繼電器接線圖及應用范圍-上海上繼科技有限公司
發表時間:2019-10-28 13:20 瀏覽次數:713 〖返回〗一、DX-15B/S信號繼電器應用范圍
DX-15B/S信號繼電器(以下簡稱繼電器)用于電力系統二次電路的繼電保護線路中,作為直流回路動作指示信號用。

二、DX-15B/S信號繼電器技術參數
●額定值:DC 220V、110V、48V、24V、12V、0.0lA、0.015A、0.025A、0.05A、0.075A、0.1A、0.15A、0.25A、0.5A、 0.75A、lA。
●復歸電壓:DC 220V、110V、48V、24V、12V。
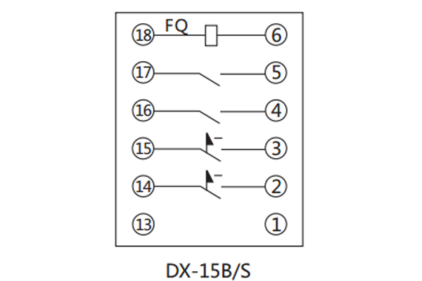
●觸點形式:DX-15A、B/D 2副斷電保持動合觸點1副斷電復歸動合觸點;信號牌為電動復歸。 DX-15A、B/S 2副斷電保持動合 觸點2副斷電復歸動合觸點;信號牌為手動復歸。
●動作值:電壓型繼電器不大于70%額定電壓;電流型繼電器不大于90%額定電流;復歸線圈的動作電壓不大于80%額定電壓。
●返回值:不大于2%。
●動作時間:動合觸點的閉合時間不大于20ms。
●功率消耗:電壓型繼電器不大于3W;電流型繼電器不大于0.2W;復歸線圈不大于5W。
●觸點容量:在電壓不超過250V,電流不超過5A,時間常數為5±0.75ms的直流有感負荷電路中,產品輸出觸點的斷開容量為 50W。輸出觸點在上述規定的負荷條件下,產品能可靠動作及返回5×104次。輸出觸點長期允許接通電流為5A。
●介質強度:產品各導電端子連在一起,對外露的非帶電金屬部分或外殼之間,能承受2kV(有效值)、50Hz交流電壓歷時1分鐘試驗,而無絕緣擊穿或閃絡現象。
三、DX-15B/S信號繼電器產品價格
公司一貫以“合理的價格,高質量的產品,準時的交貨期,良好的信譽服務”為基本準則。本公司期待成為你忠實的朋友和合作伙伴,共創互惠雙贏的未來!更多價格詳細內容請來電咨詢:021-57233089,如有任何疑問可以在線聯系公司客服。
四、DX-15B/S信號繼電器接線圖

公司介紹:上海上繼科技有限公司是一家專業從事電力系統繼電保護及智能電網電力自動化產品的研發、設計、生產、銷售和服務為一體的高科技公司。擁有資深繼電保護專家團隊和國內**的檢測儀器及校驗設備。同時還引用國內外先進技術,來進行技術創新。本公司的產品廣泛用于電力、工礦、鐵路、建筑等國家重大工程輸配變電系統上,產品遠銷東南亞及中東地區。產品通過國家繼電保護及自動化設備質量監督檢驗中心檢測,獲得ISO9001國際質量體系認證。“科技創新,誠信務實”是公司的經營理念,本公司以高超的技術支持和對用戶高度負責的售后服務贏得了輸配電成套企業的信賴,且樹立了良好的信譽。
上海上繼科技有限公司(專注電力保護繼電器生產廠家)銷售熱線:021-57233089 QQ:1932551438
{以上內容僅供參考,上海上繼科技有限公司有最終解釋權}
更多繼電器精彩文章——JZ-S/2420靜態可調延時中間繼電器生產廠家及接線圖





