ZZ-S-12系列分閘、合閘、電源監視綜合控制裝置簡介
ZZ-S-12系列分閘、合閘、電源監視綜合控制裝置用于直流或交流操作的各種自動控制線路中,可以直接控制分閘、合閘回路,監視控制電源,并方使調節合閘延時,電源監視斷電延時。
ZZ-S-12分閘、合閘、電源監視綜合控制裝置型號含義



ZZ-S-12分閘、合閘、電源監視綜合控制裝置特點
ZZ-S-12是替代合閘繼電器,分閘繼電器,電源監視繼電器的綜合控制裝置,具有下列特點:
a)體積小,功能強,非常適合安裝與小型抽屜柜,和其它需要使用繼電器的場所;
b)出口控制中間采用進口高性能密封繼電器,防潮、防塵、不斷線、可靠性高,而且有電源指示及動作指示,電氣壽命長,機械壽命長。
ZZ-S-12分閘、合閘、電源監視綜合控制裝置技術條件
四、技術條件
4.1 環境口基準條件
環境溫度:20°C±2°C 相對濕度:45%-75%
大氣壓力:80Kpa-106Kpa 存儲相與運輸過程中的極限溫度:-25℃~+75℃
使用地點的海拔高度:不高于2500米.
使用環境的周圍介質無爆炸危險品;不含有腐蝕性氣體;所含導電塵埃的濃度不應使絕緣水平降低到允許值以下.
4.2 使用條件
環境溫度: -10°C~+50℃,24h內平均溫度不超過35℃.
大氣壓力:80Kpa-106Kpa
相對濕度:最濕月的月平均**相對濕度為90%,同時該月的月平均**溫度為25℃,且表面無凝露。**溫度為40℃時,平均**相對濕度不超過50%.
4.3 繼電器額定值 額定電壓值:24V、48V、110V、 220V AC DC
4.4 出口中間觸點容量:接通DC220V 10A,斷開DC220V τ=5mS 50W.
4.5 出口中間動作延時:不大于15mS.
出口中間返回延時:分閘回路不大于70% ,交流不大于75%。
出口中間動作電壓:直流不大于70% ,交流不大于75%。
出口中間返回電壓不小于20%。
4.6 功耗 **功耗不大于10W, 一個回路工作時,額定電壓下功率不大于5W。
4.7 絕緣電阻 用1000V揺表測量各引出端子對外殼鎖緊螺釘之間絕緣電阻不小于1MΩ。
4.8 絕緣耐壓 各引出端子外殼鎖緊螺釘能承受工頻2000V,同組觸點之間能承受工頻1000V,歷時一分鐘無擊穿。
4.9 電壽命 DC220V,切斷電流τ=5mS, 20W, 104次以上。
4.10機械壽命 觸點無負荷300萬次以上
ZZ-S-12分閘、合閘、電源監視綜合控制裝置內部接線及外引接線圖


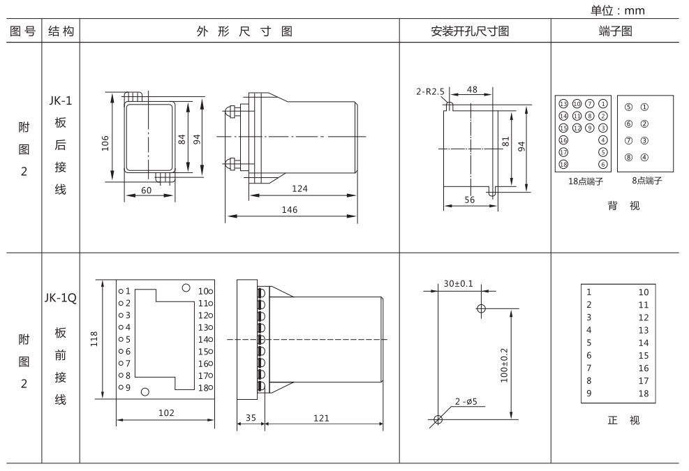
ZZ-S-12分閘、合閘、電源監視綜合控制裝置外形尺寸及開孔尺寸




中間繼電器系列
打印當前頁
發郵件給我們: 1932551438@qq.com
手機: 18930817953




