DZZ-15組合中間繼電器的動作原理及安裝尺寸-上海上繼科技有限公司
發表時間:2019-06-14 14:08 瀏覽次數:816 〖返回〗
一、DZZ-15系列組合中間繼電器的用途
DZZ-15系列組合中間繼電器用于電力系統二次回路及工業自動化控制回路中作為輔助中間繼電器之用。
二、DZZ-15系列組合中間繼電器的特點
1體積小,對安裝地位緊張有限的場合特別適用。
2該繼電器對用戶既提供工業級繼電器的屏面經濟性,還提供保護級繼電器的質量,可靠性和中等(跳閘)容量的能力。
3該繼電器可通過罩殼上的小孔拔動銜鐵以試驗觸點動作情況。
4線圈激勵為直流。
三、DZZ-15系列組合中間繼電器的動作原理
DZZ- 11~15為雙中間繼電器是在一個最小的外殼內裝有二個獨立的輔助繼電器。每一獨立的繼電器由電壓系統及接觸系統二部分組成。當線圈通電時,通過鐵芯產生磁場,吸合吸片帯動觸點轉換。
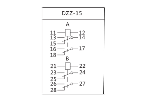
四、DZZ-15系列組合中間繼電器的安裝尺寸
DDZ-15采用2S6C外殼,如圖所示

上海上繼科技有限公司(專注電力保護繼電器生產廠家)銷售熱線:021-57233089 QQ:1932551438
{以上內容僅供參考,上海上繼科技有限公司有最終解釋權}
更多繼電器精彩文章——DZJ-11,DZJ-12中間繼電器





