DZZ-15組合中間繼電器的用途及參數-上海上繼科技有限公司
發表時間:2019-06-14 14:11 瀏覽次數:787 〖返回〗
一、DZZ-15系列組合中間繼電器的用途
DZZ-15系列組合中間繼電器用于電力系統二次回路及工業自動化控制回路中作為輔助中間繼電器之用。
二、DZZ-15系列組合中間繼電器的技術數據
1動作值:<70%額定電壓。
2返回值: >5%額定電壓。
3動作時間: DZZ-11~15其動合觸點不大于30ms,動斷觸點不大于20ms。 DZZ-11~17延時返回時l間不小于0.8s。
4功耗:不大于1.6W。
5觸點能力與RXMA1型相同。
6絕線耐壓:50Hz、1min、2?。
7沖擊電壓: 5kV。
8該繼電器能承受5-15Hz中等震級的地震波)中擊。
9額定電壓及線圈阻值。

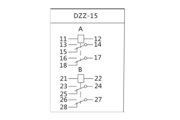
10繼電器觸點形式為

三、DZZ-15組合中間繼電器的安裝尺寸
DZZ-15采用2S6C外殼,如圖所示

上海上繼科技有限公司(專注電力保護繼電器生產廠家)銷售熱線:021-57233089 QQ:1932551438
{以上內容僅供參考,上海上繼科技有限公司有最終解釋權}
更多繼電器精彩文章——SS-94時間繼電器





